案例3【背景资料】
A公司承担某2×350MW电站工程项目,工程中的2#汽轮发电机组设计安装在主厂房12.6m高的平台混凝土底座上,汽机房设计有2台100/2.5t-25.5m桥式起重机。
A公司项目部进场时,汽机基础及砌体工程已完成,桥式起重机安装及试运行合格,汽机房厂房基础,行车梁及梁下牛腿经设计验算满足起重要求。
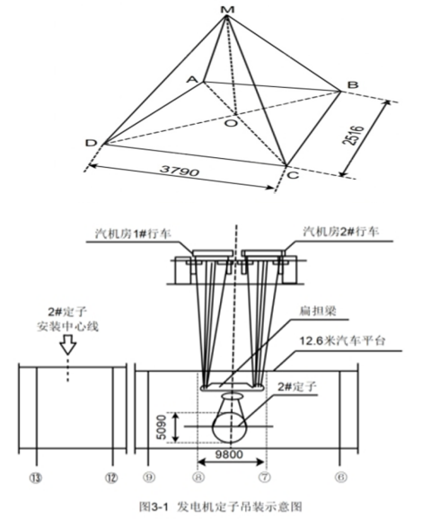
发电机定子吊装专项方案:定子运输车辆倒入汽机房设备提升通道,利用汽机房两台桥式起重机与专用起重扁担梁组合抬吊卸车,在地面旋转90º后,提升至平台上方500mm,由桥式起重机行走至设备基础上方就位,见图3-1。定子卸车及吊装选用两根公称直径D64mm(6×37FC-1770)、长度20mm的钢丝绳吊索、两弯四股使用、钢丝绳力学性能见表3。
发电机定子(外形尺寸8750×4300×5090mm)和固定器、耳轴的重量196t,计入扁担梁,梁下吊及吊索重量后,起吊重量为214t,定子同侧吊耳间距为2516mm,对侧间距3790mm。见图3-2.

桥式起重机额定起重量100t,桥架加固后可承载125t,大于分担的重量107t,桥式起重机动载试验载荷110t,也大于分担重量,桥式起重机满足定子吊装要求,监理工程师审核方案时,监理认为桥式起重机额定起重量未大于分担吊装重量107t属于超载使用,在定子卸车、吊装过程中存在较大安全隐患,要求A公司项目部修改方案,重新报审。

图片说明:1.字母A.D和字母B.C分别表示定子同侧两个吊点的位置
2.字母M为扁扣下吊钩位置
3.字母O表示定子四个吊点所在平面上长方形的中心位置。
4.角α是吊索与水平面的夹角.
【问题】
1.发电机定子吊装专项方案是否需要组织专家论证?说明理由。
2.计算定子吊装时的吊索所受拉力和吊索安全系数。(计算时,如果需要动载系数取1.1,不平衡系数取1.2,重力加速度取g=10m/s²)
3.定子吊装前,桥式起重机必须办理特种设备的哪些手续?各由哪个单位办理?
4.监理工程师的做法是否正确?说明理由。
查看答案
参考答案:
1.发电机定子吊装专项方案需要组织专家论证
理由:采用非常规起重设备、方法,且单件起吊重量在100kN及以上的起重吊装工程属于超过一定规模的危大工程,由背景知道定子起吊重量214t,214×10=2140(kN),起吊重量大于100kN,利用汽机房两台桥式起重机与专用起重扁担梁组合抬吊卸车属于非常规起重,属于超危大工程,故需要专家论证
2.①根据案例背景查表知道钢丝绳的最小破断拉力为2390kN
②钢丝绳长20m,两弯四股,故MD=MA=MB=MC=20÷4=5m
根据勾股定理
③BD²=DC²+BC²=3790×3790+2516*2516=20694356mm²
BD≈4549mm≈4.55m
DO=BD/2=4.55/2=2.27m
④根据勾股定理
MO²=MD²-DO²=52-2.272=19.8471
MO≈4.46m
Sina=MO/MD=4.46/5=0.892
⑤扁担梁下的吊索受到合力为定子及吊耳及固定器等重力=196×10=1960kN
⑥考虑动载荷系数及不均衡载荷系数且四个方向钢丝绳在垂直方向上拉力的合力等于定子及吊耳固定器等的重力
每个方向钢丝绳所受拉力F=1960×1.1×1.2÷sina×(1/4)≈725.11kN
⑦因为是两弯四股使用,MA、MB、MC、MD四个方向的钢丝绳都是两股钢丝绳
每股钢丝绳吊索所受拉力F每=F÷2=725.11÷2≈362.56kN
⑧钢丝绳的安全系数=2390÷362.56≈6.59
3.桥式起重机吊装前必须进行特种设备首检,在安装单位或者使用单位自检合格的基础上,在其投入使用之前进行的第一次检验。
手续1.特种设备安装告知
办理单位:安装单位(A公司或其委托的桥式起重机安装单位)
要求:根据《特种设备安全法》,特种设备安装前,安装单位应向直辖市或设区的市级特种设备安全监督管理部门办理安装告知手续。
手续2.特种设备使用登记
办理单位:使用单位(A公司)
要求:桥式起重机安装、试运行合格后,使用单位应向直辖市或设区的市级特种设备安全监督管理部门办理使用登记,领取使用登记证书,将登记标志置于设备显著位置。
此外,还需确保桥式起重机通过首次检验(题目背景中虽未明确提及但属于特种设备管理要求),首次检验由特种设备检验检测机构实施,检验合格后方可投入使用。
4.监理工程师做法正确
理由:桥式起重机额定起重量为100t,而定子吊装时其分担的重量为107t,额定起重量小于分担吊装重量,属于超载使用。根据起重设备使用规定,起重机严禁超载作业,否则会存在较大安全隐患,因此监理工程师要求修改方案、重新报审的做法是正确的。